Mini-Partikel und die Entstehung von Blitzen
Forschende am ISTA haben eine Methode entwickelt, um mikrometergroße Partikel mit Lasern einzufangen und sie aufzuladen, um deren Lade- und Entladungsdynamik im Laufe der Zeit zu beobachten.
Manche Aerosole sind groß und sichtbar, wie etwa Pollen im Frühling. Andere sind so winzig, dass sie für das menschliche Auge nicht erkennbar sind, wie Viren während der Grippesaison. Manche wiederum kann man sogar schmecken, wie die Salzkristalle, die man mit der Meeresluft an der Küste einatmet. Die Doktorandin Andrea Stöllner forscht am Institute of Science and Technology Austria (ISTA) in den Gruppen von Scott Waitukaitis und Caroline Muller zu Eiskristallen in Wolken. Um herauszufinden, wie sich Eiskristalle ansammeln und mit elektrischer Ladung interagieren, nutzt die österreichische Wissenschaftlerin Modell-Aerosole – winzige, transparente Siliziumdioxid-Partikel.



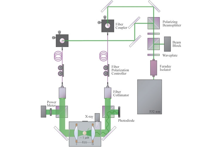
Stöllner, Isaac Lenton, Scott Waitukaitis und ihre Kolleg:innen haben nun eine Technik entwickelt, bei der sie mithilfe von zwei Laserstrahlen ein einzelnes Modell-Aerosol einfangen, fixieren und elektrisch aufladen können. Dieser Ansatz könnte in verschiedenen Bereichen Anwendung finden, unter anderem bei der Erforschung der elektrischen Aufladung von Wolken und der Entstehung von Blitzen.
Die grünen Laserstrahlen in Stöllners Aufbau bewegen sich im Zickzack durch eine Art Hindernisparcours und laufen schließlich in zwei Ströme zusammen, die in einer Kammer münden. Hier treffen die beiden Strahlen aufeinander und bilden eine optische Pinzette. „Als ich zum ersten Mal ein Teilchen eingefangen habe, war ich überglücklich“, erinnert sich Stöllner an ihren Aha-Moment vor zwei Jahren, kurz vor Weihnachten. „Scott Waitukaitis und meine Kolleg:innen stürmten ins Labor und warfen einen kurzen Blick auf den eingefangenen Aerosolpartikel. Damals hielt es genau drei Minuten lang, dann war das Teilchen wieder verschwunden. Jetzt können wir es wochenlang in dieser Position halten.“
Die Wissenschafterin benötigte fast vier Jahre, um das Experiment so weit zu bringen, dass es zuverlässige Daten lieferte. Ausgangspunkt war eine frühere Version des Setups, welches von ihrem Kollegen, dem ehemaligen ISTA-Postdoc Isaac Lenton entwickelt, worden war. „Ursprünglich war unser Aufbau so konzipiert, dass er nur ein einziges Partikel halten und dessen Ladung analysieren sollte. Wir wollten damit herausfinden, wie Feuchtigkeit dessen Ladungen verändert“, erklärt Stöllner. „Aber so weit sind wir nie gekommen. Die von uns verwendeten Laser laden nämlich unsere Aerosolpartikel auf.“
Wie die Forschenden entdeckten, laden die Laser die ansonsten neutralen Partikel durch einen Zwei-Photonen-Prozess schrittweise auf. Für Stöllner ist es eine spannende Entdeckung, diesen Mechanismus zu verstehen, die sie für ihre Forschung nutzen kann: „Wir können nun die Entwicklung eines einzelnen Aerosolpartikels von der neutralen bis zur hochgeladenen Ladung genau beobachten und auch die Laserleistung anpassen, um die Ladegeschwindigkeit zu steuern.“
Diese Beobachtung zeigt auch, dass das Partikel, wenn es positiv geladen wird, beginnt, sich zu entladen. Das bedeutet, dass es gelegentlich spontan Ladungen abgibt. Weit über unseren Köpfen könnte in den Wolken etwas Ähnliches geschehen.
Gewitterwolken enthalten Eiskristalle und größere Eiskörner. Wenn diese aufeinanderprallen, tauschen sie Ladungen aus. Schließlich lädt sich die Wolke so stark auf, dass sich Blitze bilden. Der erste kleine Funke eines Blitzes könnte dabei an den geladenen Eiskristallen selbst entstehen. Wie genau Blitze aber entstehen, bleibt weiterhin ein Rätsel. Einige alternative Theorien gehen davon aus, dass kosmische Strahlen den Prozess auslösen, da die von ihnen erzeugten geladenen Teilchen aus bereits vorhandenen elektrischen Feldern beschleunigt werden. Laut Stöllner ist der derzeitige Konsensus aber, dass das elektrische Feld in Wolken zu schwach ist, um Blitze zu verursachen.
„Unser neues Setup gibt uns die Möglichkeit, die Eiskristall-Theorie zu untersuchen, indem wir die Ladungsdynamik eines Teilchens im Laufe der Zeit genau beobachten“, erklärt Stöllner. Zwar sind die Eiskristalle in Wolken viel größer als die Modellkristalle, die Wechselwirkungen im Mikrobereich können aber Aufschlüsse über das Gesamtbild geben. [ISTA / dre]
Weitere Informationen
- Originalpublikation
A. Stoellner et al., Using optical tweezers to simultaneously trap, charge and measure the charge of a microparticle in air, Phys. Rev. Lett. 135, 218202, 20. November 2025; DOI: 10.1103/5xd9-4tjj - Dynamische Prozesse in Atmosphäre und Ozean (Muller Gruppe), Institute of Science and Technology Austria (ISTA), Klosterneuburg
- Physik der weichen, elektrifizierte Materialien (Waitukaitis Gruppe), Institute of Science and Technology Austria (ISTA), Klosterneuburg
Anbieter
Institute of Science and Technology Austria (ISTA)Am Campus 1
3400 Klosterneuburg
Österreich
Meist gelesen

Teleportation zwischen zwei Quantenpunkten gelungen
Quanten-Wifi: Polarisationszustand eines einzelnen Photons per Freiraumverbindung zwischen zwei Universitätsgebäuden auf ein anderes übertragen.

Wie genau entsteht unkonventionelle Supraleitung?
Direkte mikroskopische Verbindung zwischen einem korrelierten Normalzustand und der entstehenden Supraleitung in Moiré-Materialien entdeckt.

Polaronbildung erstmals beobachtet
LMU-Forschende konnten ein Phänomen der Halbleiterphysik direkt messen, das bereits 1933 theoretisch beschrieben wurde.

MPP-Forscherinnen auf Spurensuche im Weltraum
Suche nach dem Ursprung des Amaterasu-Teilchens wirft neuen analytischen Ansatz für die Bestimmung von Quellen ultrahochenergetischer kosmischer Strahlung ab.

Ein Signal, das Dutzende andere schlägt
GW250114: internationales Team identifiziert erstmals drei Töne in einem Gravitationswellen-Ereignis.











